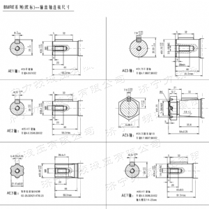
BM2系列马达

——

产品分类
— PRODUTC —
  • BM2(欧际)系列
    1. BM2(欧际)系列BM2(欧际)系列BM2(欧际)系列BM2(欧际)系列BM2(欧际)系列BM2(欧际)系列BM2(欧际)系列BM2(欧际)系列BM2(欧际)系列BM2(欧际)系列BM2(欧际)系列BM2(欧际)系列BM2(欧际)系列

BM2(欧际)系列

地址:山东省济宁市任城区聚源电商小镇4号楼21号 

电话/微信:135-0638-8161(张经理)
电话/微信:135-8376-7126(李经理)
电话:0537-2635166
传真:0537-2635199   2310286


er

信息详情

BM2(欧际)系列 2023-6-16 本文被阅读 3424次
上一条:BM2刹车系列下一条:FRE系列车轮液压马达

同类产品